Обдирочные круги на бакелитовой связке. Часть 1. Параметры и критерии эффективности.
Статья опубликована в журнале "Оборудование и инструмент для профессионалов. Металлообработка" в номере №2 2021г.
Статья опубликована в журнале "Оборудование и инструмент для профессионалов. Металлообработка" в номере №2 2021г.
Обдирочное шлифование является одним из наиболее производительных и экономически эффективных способов обработки слитков, блюмов, слябов, заготовок, готового проката в металлургическом производстве. В других отраслях обдирочное шлифование применяется для обработки поковок, отливок, сварных металлоконструкций, труб, рельсов, иных видов металлопродукции.
Большинство процессов обдирочного шлифования не являются финишными или формообразующими. Их назначением является, как правило, удаление с заготовок дефектного слоя, толщиной более 1мм. Специфика этих операций не предусматривает использования всего широкого спектра абразивного инструмента. Для обдирочных операций, в большинстве случаев, используются абразивные круги с соответствующим названием – обдирочные круги.
В ряде развивающихся отраслей промышленности обдирочные операции являются ключевыми и влияют на эффективность производственных процессов. На выполнении операций зачистки проката в металлургии занято более 20% персонала прокатных цехов. Обдирочное шлифование применяют в литейном производстве для зачистки и предварительной обработки отливок. Трудоемкость зачистки составляет 17 % трудоемкости изготовления отливок. На базе этих отраслей формируется спрос на обдирочные круги. Объёмы потребления обдирочных кругов в стране сопоставимы со шлифовальными кругами на керамической связке и имеют тенденции к росту.
Между тем, парк обдирочно-шлифовального оборудования преимущественно состоит из морально устаревших и физически изношенных станков, предприятия используют неэффективные, устаревшие технологии абразивной обработки. Исключение составляют только немногочисленные ведущие предприятия металлургии. Следствием этого является низкое качество продукции, технологически неоправданные энергетические затраты, потери металла, критически высокий расход кругов и опасные условия труда работающих.
Большинство процессов обдирочного шлифования не являются финишными или формообразующими. Их назначением является, как правило, удаление с заготовок дефектного слоя, толщиной более 1мм. Специфика этих операций не предусматривает использования всего широкого спектра абразивного инструмента. Для обдирочных операций, в большинстве случаев, используются абразивные круги с соответствующим названием – обдирочные круги.
В ряде развивающихся отраслей промышленности обдирочные операции являются ключевыми и влияют на эффективность производственных процессов. На выполнении операций зачистки проката в металлургии занято более 20% персонала прокатных цехов. Обдирочное шлифование применяют в литейном производстве для зачистки и предварительной обработки отливок. Трудоемкость зачистки составляет 17 % трудоемкости изготовления отливок. На базе этих отраслей формируется спрос на обдирочные круги. Объёмы потребления обдирочных кругов в стране сопоставимы со шлифовальными кругами на керамической связке и имеют тенденции к росту.
Между тем, парк обдирочно-шлифовального оборудования преимущественно состоит из морально устаревших и физически изношенных станков, предприятия используют неэффективные, устаревшие технологии абразивной обработки. Исключение составляют только немногочисленные ведущие предприятия металлургии. Следствием этого является низкое качество продукции, технологически неоправданные энергетические затраты, потери металла, критически высокий расход кругов и опасные условия труда работающих.
Кроме того, нормативная и научная база в области производства обдирочных кругов практически отсутствует. Стандартов, регламентирующих выпуск и эксплуатацию обдирочных кругов у нас в стране нет. Только несколько абразивных предприятий имеют собственные нормативные документы (ТУ), но технические требования допускают выпуск морально устаревшей продукции, крайне низкого качества, с низкими эксплуатационными показателями. Параметры выпускаемых обдирочных кругов соответствуют техническому уровню и оборудования наших производителей, далеки от уровня ведущих европейских производителей.
К сожалению, имеет место выпуск обдирочных кругов предприятиями, не имеющих своих нормативных документов (ТУ), не имеющих необходимых средств проверки качества (твёрдости, неуравновешенности и т.д.) и безопасности (испытательных станков). Это следствие отсутствия обязательной сертификации опасной абразивной продукции в Украине и факта передачи полномочий постандартизации местнымцентрам метрологии и стандартизации. Службы охраны труда тоже не имеют соответствующей компетенции. Это создаёт предпосылки для выпуска небезопасной продукции.
В таких условиях на предприятиях произвольно трактуют требования к обдирочным кругам и правила эксплуатации. Пользователи не имеют элементарных понятий по выбору характеристик кругов, критериям качества и правилам безопасной эксплуатации.
Такое положение с нормативной базой усугубляется отсутствием современной технической информации по абразивной обработке. При подготовке персонала, в том числе инженеров в ВУЗах, используют учебные пособия 60-х годов прошлого века.
Поэтому любая актуальная информация для специалистов предприятий крайне важна.
К сожалению, имеет место выпуск обдирочных кругов предприятиями, не имеющих своих нормативных документов (ТУ), не имеющих необходимых средств проверки качества (твёрдости, неуравновешенности и т.д.) и безопасности (испытательных станков). Это следствие отсутствия обязательной сертификации опасной абразивной продукции в Украине и факта передачи полномочий постандартизации местнымцентрам метрологии и стандартизации. Службы охраны труда тоже не имеют соответствующей компетенции. Это создаёт предпосылки для выпуска небезопасной продукции.
В таких условиях на предприятиях произвольно трактуют требования к обдирочным кругам и правила эксплуатации. Пользователи не имеют элементарных понятий по выбору характеристик кругов, критериям качества и правилам безопасной эксплуатации.
Такое положение с нормативной базой усугубляется отсутствием современной технической информации по абразивной обработке. При подготовке персонала, в том числе инженеров в ВУЗах, используют учебные пособия 60-х годов прошлого века.
Поэтому любая актуальная информация для специалистов предприятий крайне важна.
Операции обработки с применением обдирочных кругов, определяющие их параметры, целесообразно классифицировать в следующие группы:
1 группа
1 группа
Скоростное силовое обдирочное шлифование на высокопороизводительных линиях сплошной зачистки заготовок, с усилиями прижима 10 кН и более, скоростью круга до 80 м/с, продольной подачей 30-60 м/мин, мощностью станков 110-160 кВт. Предусматривается использование специальных горячепрессованных кругов диаметром 600…900мм из крупнозернистого (с размером зерен 2-4 мм) циркониевого электрокорунда, которыеобеспечивают производительность шлифования 375-400 кг/ч и коэффициент шлифования 40 и более.
2группа
2группа
Обдирочное шлифование с относительно небольшими усилиями прижима круга (до 2 кН), скоростями круга (50—60 м/с) и продольными подачами (до 15 м/мин); с использованием стационарных обдирочных станков для сплошной и выборочной зачистки с мощностью станков до 50 кВт. Такое шлифование осуществляется кругами диаметром 500…600мм. Производительность обработки в этом случае не превышает 100 кг/ч, коэффициент шлифования 0,8—3.
3 группа
3 группа
Обдирочное шлифование на обдирочных станках (типа «наждак») с ручной подачей заготовки, ручным прижимом. Рабочая скорость 40…50м/с. Мощность привода до 11Квт. Для выборочной зачистки заготовок. Предусматривается использование обдирочных кругов диаметром 400…600мм. Коэффициент шлифования не представляется возможности определить.
3 группа
3 группа
Обдирочное шлифование с использованием ручных прямых шлифовальных машин с пневмоприводом, мощностью до 2Квт и рабочей скоростью 40…60м/с, для выборочной зачистки заготовок. Эти операции предусматривают ручной труд с использованием обдирочных кругов диаметром 125…150мм. Коэффициент шлифования в пределах 2…5.
Для каждой из представленных групп используются обдирочные круги с различными характеристиками, которые должны обеспечивать эффективность операций.
По конструкции выпускаются, в основном, круги прямого профиля с использованием различных типов армирующих элементов. Использование неармированных обдирочных кругов международными стандартами не допускается, из-за наличии ударных нагрузок. Технические условия отечественных производителей предусматривают использование армирующих элементов для кругов с рабочей скорости от 50м/с, что категорически неприемлемо. Кроме того, круги изготавливаются исключительно на бакелитовой связке. Высокоплотные круги для группы 1 изготавливаются методом горячего прессования. Для обдирочных операций используются 2 основных вида конструкции кругов:
Конструкция 1
По конструкции выпускаются, в основном, круги прямого профиля с использованием различных типов армирующих элементов. Использование неармированных обдирочных кругов международными стандартами не допускается, из-за наличии ударных нагрузок. Технические условия отечественных производителей предусматривают использование армирующих элементов для кругов с рабочей скорости от 50м/с, что категорически неприемлемо. Кроме того, круги изготавливаются исключительно на бакелитовой связке. Высокоплотные круги для группы 1 изготавливаются методом горячего прессования. Для обдирочных операций используются 2 основных вида конструкции кругов:
Конструкция 1
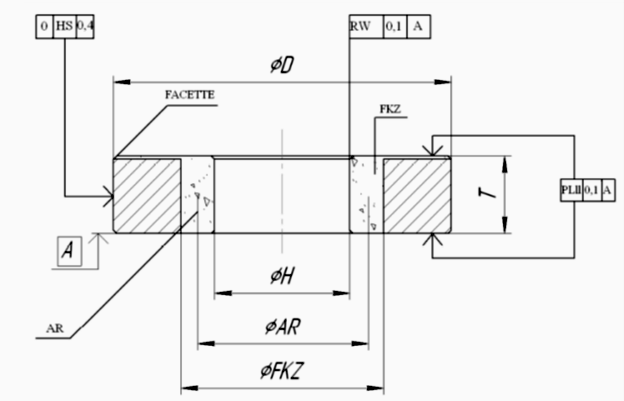
Общепринятые технические параметры обдирочных кругов, установленные международными стандартами для каждой вышеперечисленной группы, целесообразно представить в виде сравнительной таблицы 1:
*Подробно выбор и назначение характеристик обдирочных кругов, в зависимости от операции и обрабатываемого материала, будет рассмотрен в статье «Обдирочные круги на бакелитовой связке. Часть 2. Обоснование выбора характеристик»
Основным требованием к процессу обдирочного шлифования является достижение наибольшей скорости съема металла при минимальном износе круга. Для оценки эффективности этих операций имеется достаточно много методик, среди которых наиболее объективным является определение коэффициента шлифования (Grinding ratio), который отражает соотношение съема металла к расходу обдирочного круга по весу (кг металла/кг абразива). Однако, учитывая объёмы и вес заготовок в прокатном и литейном производствах, период эксплуатации кругов до полного износа в мелкосерийном производстве, организовать проведение таких замеров достаточно сложно. Как правило такие испытания проводятся при внедрении опытных кругов, освоении новых режимов или оборудования.
Обычно используют такие показатели, как съемом металла в единицу времени, кг/ч; скорость износа круга, кг/ч,. Достаточно объективным показателем является период стойкости круга, который учитывает потерю эксплуатационных свойств и окончательный износ круга. Но указанные показатели в значительной степени зависят от многих параметров обдирочного шлифования: скорости шлифования, силы прижатия круга (Н), скорости продольной подачи (м/мин), температурой заготовки в момент зачистки и др.
Ключевыми эксплуатационными показателями обдирочных кругов является их безопасность, включающую механическую прочность круга, гарантированные сроки хранения до запрета эксплуатации, состояния воздуха в рабочей зоне и отсутствия токсичных выделений.
К основному критерию безопасности необходимо отнести механическую прочность обдирочных кругов, которую проверяют на специальных испытательных станках, методом вращения со скоростью, превышающей рабочую в 1,5…2 раза или до разрыва. Механическую прочность кругов проверяется у изготовителей кругов, но не все круги проверяются, только определенная выборка, не более 5 кругов от партии. Именно поэтому всеми стандартами предусмотрена проверка каждого обдирочного круга перед эксплуатацией, с использованием испытательного станка.
Учитывая то, что обдирочные круги изготавливаются с использованием органической бакелитовой связки, срок сохранения основных эксплуатационных параметров кругов ограничен. Поэтому при истечении срока годности (6 месяцев) круги должны быть дополнительно испытаны на механическую прочность. Критический срок годности для бакелитового инструмента 3 года, после которого круги подлежат утилизации.
Состояние воздуха рабочей зоны при эксплуатации обдирочных кругов в значительной степени зависит от наличия аспирации на рабочем месте, а также состава круга и использованных сырьевых материалов. Как правило, обдирочные круги эконом-класса изготавливаются с применением соответствующего сырья.
Основным требованием к процессу обдирочного шлифования является достижение наибольшей скорости съема металла при минимальном износе круга. Для оценки эффективности этих операций имеется достаточно много методик, среди которых наиболее объективным является определение коэффициента шлифования (Grinding ratio), который отражает соотношение съема металла к расходу обдирочного круга по весу (кг металла/кг абразива). Однако, учитывая объёмы и вес заготовок в прокатном и литейном производствах, период эксплуатации кругов до полного износа в мелкосерийном производстве, организовать проведение таких замеров достаточно сложно. Как правило такие испытания проводятся при внедрении опытных кругов, освоении новых режимов или оборудования.
Обычно используют такие показатели, как съемом металла в единицу времени, кг/ч; скорость износа круга, кг/ч,. Достаточно объективным показателем является период стойкости круга, который учитывает потерю эксплуатационных свойств и окончательный износ круга. Но указанные показатели в значительной степени зависят от многих параметров обдирочного шлифования: скорости шлифования, силы прижатия круга (Н), скорости продольной подачи (м/мин), температурой заготовки в момент зачистки и др.
Ключевыми эксплуатационными показателями обдирочных кругов является их безопасность, включающую механическую прочность круга, гарантированные сроки хранения до запрета эксплуатации, состояния воздуха в рабочей зоне и отсутствия токсичных выделений.
К основному критерию безопасности необходимо отнести механическую прочность обдирочных кругов, которую проверяют на специальных испытательных станках, методом вращения со скоростью, превышающей рабочую в 1,5…2 раза или до разрыва. Механическую прочность кругов проверяется у изготовителей кругов, но не все круги проверяются, только определенная выборка, не более 5 кругов от партии. Именно поэтому всеми стандартами предусмотрена проверка каждого обдирочного круга перед эксплуатацией, с использованием испытательного станка.
Учитывая то, что обдирочные круги изготавливаются с использованием органической бакелитовой связки, срок сохранения основных эксплуатационных параметров кругов ограничен. Поэтому при истечении срока годности (6 месяцев) круги должны быть дополнительно испытаны на механическую прочность. Критический срок годности для бакелитового инструмента 3 года, после которого круги подлежат утилизации.
Состояние воздуха рабочей зоны при эксплуатации обдирочных кругов в значительной степени зависит от наличия аспирации на рабочем месте, а также состава круга и использованных сырьевых материалов. Как правило, обдирочные круги эконом-класса изготавливаются с применением соответствующего сырья.
В заключении следует привести ряд требований безопасности, обязательных для всех пользователей обдирочных кругов:
- Не допускается работа боковыми (торцевыми) поверхностями круга, если он не предназначен для этого вида работ.
- Между прижимными фланцами и кругом необходимо устанавливать прокладки из картона или другого эластичного материала толщиной от 0,5 до 1,0 мм. Они должны перекрывать всю поверхность прижимных фланцев и равномерно выступать из под них по всей окружности не менее чем на 1,0 мм.
- При обработке обдирочными кругами типа «наждак» изделий, незакрепленных жестко на станке, должны применяться подручники. Зазор между краем подручника и рабочей поверхностью шлифовального круга должен быть меньше половины толщины шлифуемого изделия, но не более 3 мм.
- При замене электродвигателя шлифовального станка или изменении передаточного отношения привода необходимо исключить изменение рабочей скорости привода.
- Во время хранения уже испытанных на механическую прочность кругов до моментаэксплуатации должны быть обеспечены условия, не допускающие их повреждения.
- На операциях ручной обдирки и зачистки отливок запрещается использование неармированных кругов.
- Запрещается использование шлифовальных кругов на керамической связке на операциях с ударными и переменными нагрузками, ручной зачистке крупногабаритных заготовок.
- Габариты обрабатываемой заготовки на обдирочных станках типа «наждак» не должны превышать размеров подручника. Сечение обрабатываемой заготовки не должно превышать толщины обдирочного круга.
- Предельно допустимые диаметры сработанных обдирочных кругов на переходных фланцах не должны превышать следующих значений (мм):
D сработанного круга ≥ dфланца +20
- При эксплуатации необходимо учитывать диаметр армирующих колец, установленных внутри круга. При срабатывании круга до армирующего кольца существует опасность разрушения круга.
- Не допускается работа боковыми (торцевыми) поверхностями круга, если он не предназначен для этого вида работ.
- Между прижимными фланцами и кругом необходимо устанавливать прокладки из картона или другого эластичного материала толщиной от 0,5 до 1,0 мм. Они должны перекрывать всю поверхность прижимных фланцев и равномерно выступать из под них по всей окружности не менее чем на 1,0 мм.
- При обработке обдирочными кругами типа «наждак» изделий, незакрепленных жестко на станке, должны применяться подручники. Зазор между краем подручника и рабочей поверхностью шлифовального круга должен быть меньше половины толщины шлифуемого изделия, но не более 3 мм.
- При замене электродвигателя шлифовального станка или изменении передаточного отношения привода необходимо исключить изменение рабочей скорости привода.
- Во время хранения уже испытанных на механическую прочность кругов до моментаэксплуатации должны быть обеспечены условия, не допускающие их повреждения.
- На операциях ручной обдирки и зачистки отливок запрещается использование неармированных кругов.
- Запрещается использование шлифовальных кругов на керамической связке на операциях с ударными и переменными нагрузками, ручной зачистке крупногабаритных заготовок.
- Габариты обрабатываемой заготовки на обдирочных станках типа «наждак» не должны превышать размеров подручника. Сечение обрабатываемой заготовки не должно превышать толщины обдирочного круга.
- Предельно допустимые диаметры сработанных обдирочных кругов на переходных фланцах не должны превышать следующих значений (мм):
D сработанного круга ≥ dфланца +20
- При эксплуатации необходимо учитывать диаметр армирующих колец, установленных внутри круга. При срабатывании круга до армирующего кольца существует опасность разрушения круга.
